首页
关于我们
公司简介
荣誉资质
产品中心
新闻资讯
行业应用
服务支持
成功案例
联系我们
MENU
首页
关于我们
公司简介
荣誉资质
产品中心
新闻资讯
行业应用
服务支持
成功案例
联系我们
产品中心
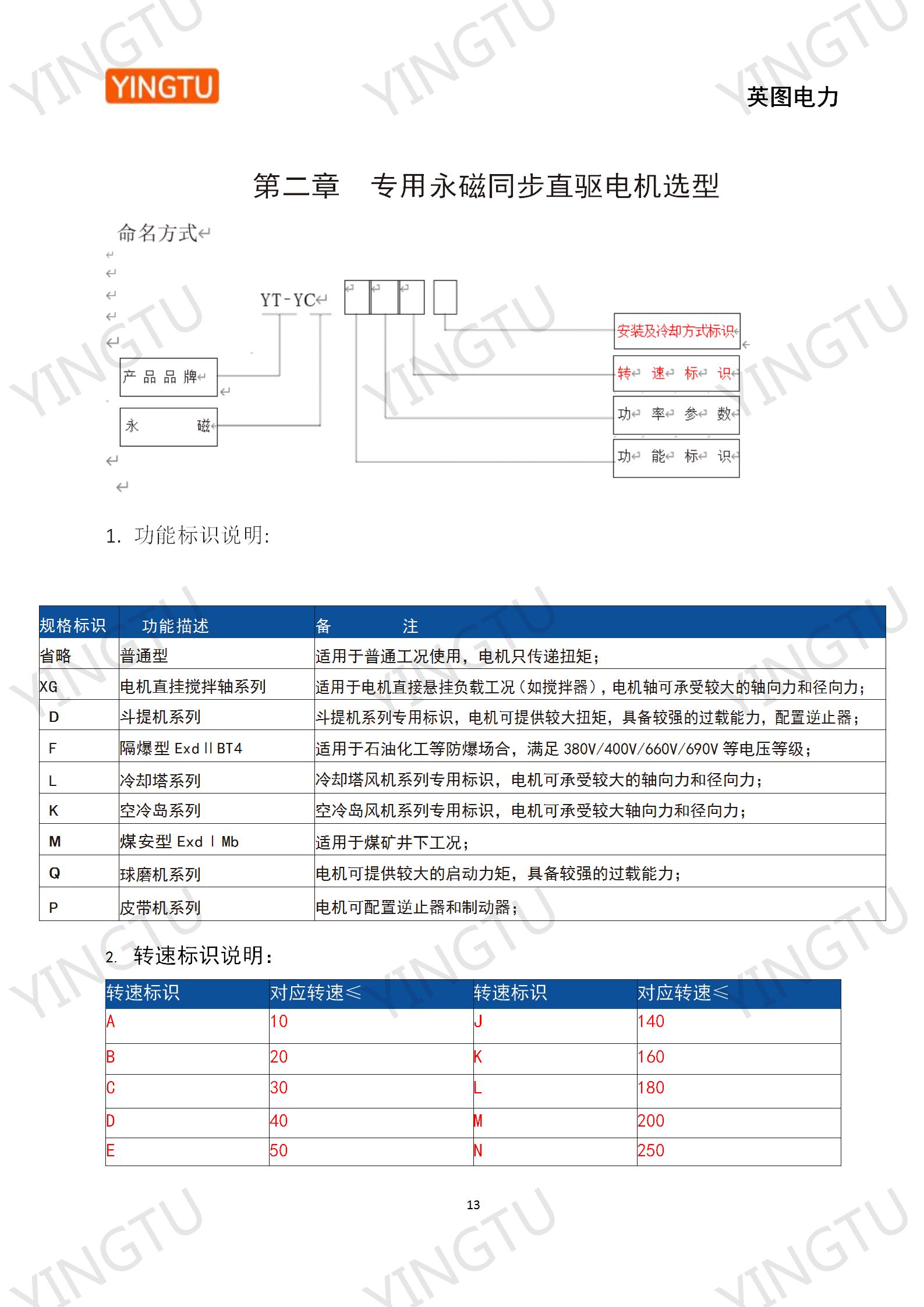
永磁电机的选型-专用型
编辑:英图电力
来源:英图电力科技
发布时间:2023-09-10 14:21:03
因种类繁多,订货时请与我们的销售工程师联系
空冷岛上的应用
球磨机上的应用